Description
The crossover is the core of any multi-driver loudspeaker, shaping the output of each driver to achieve the desired system response. A well-designed filter can make even affordable drivers outperform premium ones with poorly implemented networks.
Our passive crossover design service starts by taking the measured anechoic frequency and impedance response of your drivers. We load this data—along with enclosure dimensions—into advanced design tools to account for real-world effects like baffle-step loss, edge diffraction, and acoustic offsets. Using virtual simulations, we determine optimal filter values to achieve the target system response.
By default, we design for a flat alignment, while offering suggestions for fine-tuning. If you require a specific response characteristic—like BBC-style midrange attenuation or high-frequency roll-off—let us know when ordering.
Unlike basic calculators or AI-generated designs, our solutions account for complex real-world variables, including phase, impedance, reactance, and polar behavior. We don’t adhere to fixed crossover orders (e.g., 1st, 2nd, 3rd) but instead optimize the acoustic response with the fewest practical components, using Zobel networks, EQ circuits, and hybrid configurations when necessary.
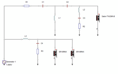
Your crossover design results will be emailed as a PDF, including simulated frequency and impedance curves, a parallel filter schematic, and notes on possible adjustments.
We do not select or recommend drive units, nor perform in-situ measurements, as this process can take days and requires specialized, non-portable hardware.
Simulated measurement-based crossovers require access to driver and enclosure data. If unavailable, measurements will be necessary if we require those we will be in touch. While not as refined as designs based on full measured data, they remain far more accurate than simple calculator-based designs—offering a cost-effective, high-performance alternative.
Once you have placed your order you will be given a URL to a form for us to gather some info about your speaker design, we will need the following. Please make sure you have at least this available before ordering. You aren’t ordering a speaker design service so we won’t be on hand to make you decide on these things, this service expects you to have done that design process already. If you want us to design a speaker for you, we can do that but its a different service to this one.
Drive units
These must be standard commercial units with frequency, impedance and T/S parameters supplied, currently available from ourselves or other stockists, or units which we have previously carried or measured. Enter the driver brand and full model name in the drop-down text box
Enclosure dimensions
Please enter in mm the dimensions of your loudspeaker baffle in the drop-down text box, the positions of the drivers on the baffle, measured from the bottom left-hand corner, and the dimensions of any chamfers or round-overs. For more complex baffle shapes, please provide details in the text box.
Enclosure volume and tuning
Please note the enclosure volume, type [e.g. sealed, vented, transmission-line etc.,] and tuning.
Further information
Please provide any further information about your loudspeaker that you think we will find useful
Example
Here is an example of the document you will receive once your crossover is designed. We will of course also be happy to answer any question you have about how to best implement it or help you to choose parts for your project – we do also stock some parts here








Ronald (verified owner) –
Thanks guys at KJF Audio for the great crossover design. After realizing that designing a real good passive crossover for my project, being high quality / high power mid high tops wasn’t a thing I’d bring to a good end myself, lacking experience and the right software and equipment I decided to ask KJF for help. Within a couple of days after submitting the ZMA files, datasheets of the drivers, baffle layout and my wishes I received the design including the vision of a very experienced audio specialist and the simulation graphs of the impedance, frequency response, delay and spreading. Started building the crossover right away and after measuring finding out that the real thing was almost exactly the same as KJF’s simulations. The mid high tops with each a JBL2123H and a Beyma TPL200H crossed around 2k sound as I only could dream of: flat response within the intended range, insanely fast and direct, perfectly smooth around the x-over frequency. And that from decent living room volumes to an insane spl without getting screamy. Simply said, couldn’t be happier!